Prof. Dr. Ayşegül ABUŞOĞLU, Aalborg Üniversitesi, Danimarka Enerji Ajansı, İTÜ, Gazi Üniversitesi ve Gaziantep Büyükşehir Belediyesi işbirliğiyle "HeatReFlex: Türkiye'de Yeşil ve Esnek Bölgesel Isıtma/Soğutma" başlıklı uluslararası bir projenin İTÜ direktörlüğünü yapmaktadır. Bu proje, yenilenebilir kaynaklara, topluluklara (bina seviyesinden şehirlere) ve daha iyi kullanıcı motivasyonu/katılımı, istikrar ve sürdürülebilirliğe geçiş sağlayan esnekliğe dayalı bir enerji sistemi geleceğinin temellerini atmak üzere geliştirilmiştir. Projede, verimli bölgesel ısıtma/soğutma teknolojileri konusunda Danimarka deneyimini kullanarak iklim taahhütlerini yerine getirmek ve ekonomik rekabet gücünü artırmak amaçlanmaktadır. Proje ayrıca, bölgesel ısıtma/soğutma üretimini, depolamayı, dönüştürmeyi ve teknik kısıtlamalar, düzenlemeler ve politikalarla ilgili esnekliği destekleyen küçük ve büyük ölçekli enerji topluluklarında termal enerji cihazlarının ve süreçlerinin optimal planlaması ve işletimi için teknik bir çerçeve geliştirmeyi hedeflemektedir. Bu proje kapsamında, özellikle elektrik dengeleme gereksinimleri değişken yenilenebilir kaynakların varlığı daha görünür hale geldiğinde, ısı-elektrik bağlantısı (fazla elektrik gücünün ısıya dönüştürülmesi gibi) incelenecektir. İTÜ ayağının "HeatReFlex" proje direktörü Prof. Dr. Ayşegül ABUŞOĞLU, Atıktan Enerjiye dayalı bölgesel ısıtma ve soğutma senaryoları ve elektrik üretimi üzerine araştırmalar yapmaktadır. Araştırmacı proje kapsamında iki ayrı araştırma grubu ile ülkenin mevcut atık yönetiminin iyileştirilmesi için belediye katı atık, atık su, kanalizasyon çamuru vb. bazında senaryolar geliştirmenin yanı sıra ulusal envanterler de oluşturmaktadır. Proje kapsamında 2021 yılında yayınlanan eserlere aşağıdaki linklerden ulaşılabilir:

1. District heating and electricity production based on biogas produced from municipal WWTPs in Turkey: A comprehensive case study, Energy, Vol. 223, May 2021, ISSN: 0360-5442 (10.1016/j.energy.2021.119904)

ABUŞOĞLU AYŞEGÜL, TOZLU ALPEREN, ANVARI-MOGHADDAM AMJAD

2. Municipal solid waste-based district heating and electricity production: A case study, Journal of Cleaner Production, February 2021, ISSN: 0959-6526 ( 10.1016/j.jclepro.2021.126495)

TOZLU ALPEREN, ABUŞOĞLU AYŞEGÜL, ÖZAHİ EMRAH, ANVARI-MOGHADDAM AMJAD

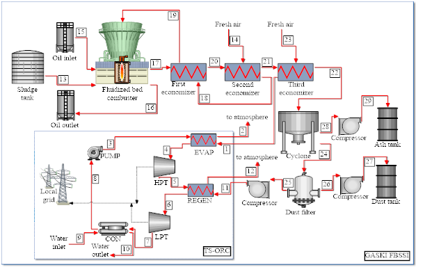
3. A comparative thermoeconomic analysis and optimization of two different combined cycles by utilizing waste heat source of an MSWPP, Energy Conversion and Management, Vol. 228, January 2021, ISSN: 0196-8904 ( 10.1016/j.enconman.2020.113583)

ÖZAHİ EMRAH, ABUŞOĞLU AYŞEGÜL, TOZLU ALPEREN

4. Advanced Exergy Analysis of WasteBased District Heating Options through Case Studies, Energies, Vol. 14, August 2021, ISSN: 1996-1073 (10.3390/en14164766)

ÖZCAN HÜSEYİN GÜNHAN, HEPBAŞLI ARİF, ABUŞOĞLU AYŞEGÜL, ANVARI-MOGHADDAM AMJAD

5. Comparison of five developed power cycles in the frame of waste heat recovery, The International Journal of Materials and Engineering Technology, Vol. 4, May 2021, s. 1-9, ISSN: 2667-4033

TOZLU ALPEREN, ABUŞOĞLU AYŞEGÜL, ÖZAHİ EMRAH

6. İstanbul Büyükşehir Belediyesi Katı Atık Yakma ve Enerji Üretim Tesisinin Termodinamik Değerlendirmesi

ULIBTK'21 - Uluslararası Katılımlı 23. Isı Bilimi ve Tekniği Kongresi, 8 Eylül 2021

ABUŞOĞLU AYŞEGÜL, YILDIZHAN MUSTAFA, ÖZMEN BATUHAN H., YILMAZ GÖKAY

01
02
03
04